



Geberit Monolith -saniteettimoduuli (viite 131.021.SI.5) on hienostunut, toimiva ja esteettinen ratkaisu seinään kiinnitettävien wc-istuinten asennukseen. Se on suunniteltu korkealaatuisella lasietupaneelilla ja harjatulla alumiinilla sivuilla, yhdistäen modernin muotoilun ja kehittyneen teknologian, joka sopii sekä uudisrakennuksiin että remontteihin.
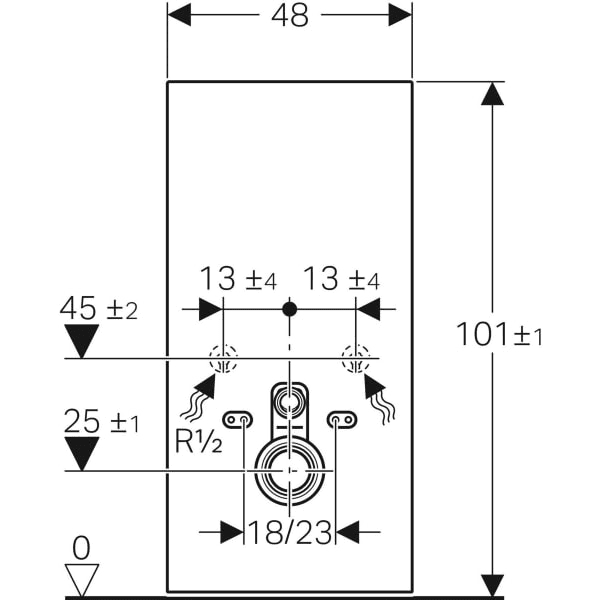
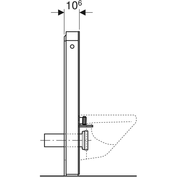
Tämä 101 cm korkea malli on suunniteltu käytettäväksi seinään kiinnitettävien wc-istuinten kanssa, mukaan lukien bidee-toiminnolla varustetut mallit, kuten Geberit AquaClean. Se on ihanteellinen asennuksiin, joissa viemäri on seinässä yli 23 cm korkeudella, mahdollistaen matalan näkyvän säiliön wc-istuinten korvaamisen ilman suuria rakennustöitä.
Järjestelmä on itseään kantava ja se voidaan asentaa suoraan valmiille lattialle ja kevyiden seinien tai rakennemuurien eteen. Sen keraamisen wc-istuimen kiinnityskorkeus on säädettävissä (35 ± 1 cm) ja rakenne mahdollistaa toleranssien kompensoinnin jopa 7 cm, helpottaen sen integrointia epätavallisiin tiloihin.
Integroitu säiliö on täysin kondensaatiolta eristetty, mikä takaa hiljaisen toiminnan ilman tiputtelua. Se sisältää kaksoishuuhtelujärjestelmän 6/3 litraa, ja huuhteluvolyymi voidaan säätää 4,5 tai 6 litraan, säilyttäen osittaisen huuhtelun 3 litraa. Nämä ominaisuudet mahdollistavat vastuullisen vedenkäytön, täyttäen nykyiset kestävän kehityksen normit.
Moduuli sisältää alapään liitännän, mutta mahdollistaa myös sivuliitännän lisävarusteiden avulla. Funktionaalisen muotoilunsa ansiosta kaikki liitännät, mukaan lukien syöttö- ja purkukomponentit, ovat piilossa, tarjoten siistin ja elegantin ulkonäön.
Geberit Monolith -saniteettimoduuli yhdistää nykyaikaisen muotoilun, helpon asennuksen ja kehittyneen toiminnallisuuden. Sen lasietupaneeli ja korkean tason ominaisuudet tekevät siitä täydellisen valinnan niille, jotka haluavat uudistaa kylpyhuoneensa tyylillä, teknologialla ja tehokkuudella.