


Grundfosin SCALA2 3-45 -paineenkorotuspumppu, viite 93013252, on ihanteellinen ratkaisu kotitalouksille, joissa tarvitaan jatkuvaa paineenlisäystä vedenjakelussa. Tämä pumppu on suunniteltu erityisesti takaamaan täydellinen paine hanoissa, riippumatta veden kysynnästä, mikä tekee siitä erinomaisen valinnan pohjaveden kulutukseen, sadeveden keräykseen ja kotitalouden paineenkorotukseen.
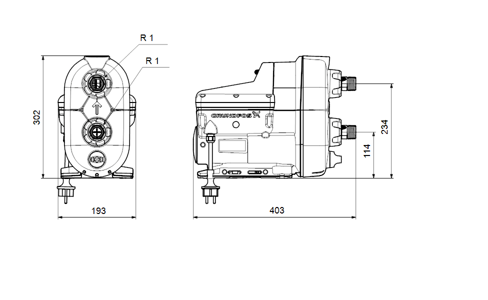
SCALA2 on täysin integroitu pumppu, mikä tarkoittaa, että se yhdistää pumpun, moottorin, säiliön, anturin ja takaiskuventtiilin yhdeksi kompaktiksi yksiköksi. Sen itsestäänimevä muotoilu mahdollistaa helpon asennuksen, jopa tilanteissa, joissa pumpun on nostettava vettä alemmista tasoista, kuten kaivoista tai säiliöistä. Tämä ominaisuus tekee SCALA2:sta monipuolisen vaihtoehdon erilaisiin kotitalousskenaarioihin.
Yksi SCALA2:n tärkeimmistä eduista on sen integroitu nopeudensäädin. Tämä tekniikka mahdollistaa pumpun nopeuden säätämisen kotitalouden painevaatimusten mukaan, varmistaen jatkuvan virtauksen kaikissa olosuhteissa, olipa kyseessä yksi avattu hana tai useita samanaikaisia kulutuspisteitä. Lisäksi sen hiljainen toiminta takaa mukavan kodin ympäristön, jopa täydessä toimintatehossa.
SCALA2:lla on useita kansainvälisiä hyväksyntöjä, mikä takaa sen laadun ja säädösten noudattamisen. Se on sertifioitu juomavesikäyttöön KIWA-, WRAS- ja ACS-standardien mukaisesti. Lisäksi se täyttää säädökset kuten CE, VDE, MORO, UKCA, KC, SEPRO ja AAA, mikä takaa sen turvallisuuden ja luotettavuuden useilla Euroopan ja maailman markkinoilla.
Grundfosin SCALA2:n avulla voit nauttia tehokkaasta, hiljaisesta ja kompaktista ratkaisusta vedenpaineen parantamiseen kotonasi. Sen edistyksellinen tekniikka ja helppo asennus tekevät siitä luotettavan ja kestävän vaihtoehdon kotitalouden vesijärjestelmissä, tarjoten mukavuutta ja tehokkuutta päivittäiseen käyttöön.